ボルト固定式ルーバー(懸垂タイプ)

風騒音対策

別のタイプをみる

製品一覧

  • SHGG-100(風騒音試験実施型)

    パネル取付金具
    BTP-30
    小口フタ
    SHGG-100FTA(B)(DA)(DB)

    屋外に設置するルーバーは、風の角度や使用条件により音鳴りが発生する可能性があります。社内では風騒音対策試験を実施しており、所定の条件下で音鳴りが発生しないことを確認しております(※資料参照)
  • SHGG-125(風騒音試験実施型)

    パネル取付金具
    BTP-30
    小口フタ
    SHGG-125FTA(B)(DA)(DB)

    屋外に設置するルーバーは、風の角度や使用条件により音鳴りが発生する可能性があります。社内では風騒音対策試験を実施しており、所定の条件下で音鳴りが発生しないことを確認しております(※資料参照)
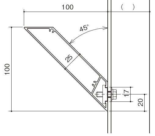
  • SHG-3580(風騒音試験実施型)

    パネル取付金具
    BTP-17
    小口フタ
    SHG-3580FTA(B)(DA)(DB)

    屋外に設置するルーバーは、風の角度や使用条件により音鳴りが発生する可能性があります。社内では風騒音対策試験を実施しており、所定の条件下で音鳴りが発生しないことを確認しております(※資料参照)
  • SHGW-100(風騒音試験実施型)

    パネル取付金具
    BTP-30
    小口フタ
    SHGW-100FTA(B)

    屋外に設置するルーバーは、風の角度や使用条件により音鳴りが発生する可能性があります。社内では風騒音対策試験を実施しており、所定の条件下で音鳴りが発生しないことを確認しております(※資料参照)
  • SHGF-100(風騒音試験実施型)

    パネル取付金具
    BTP-17
    小口フタ
    SHGF-100FTA(B)(DA)(DB)

    屋外に設置するルーバーは、風の角度や使用条件により音鳴りが発生する可能性があります。社内では風騒音対策試験を実施しており、所定の条件下で音鳴りが発生しないことを確認しております(※資料参照)
  • SHGC-100(風騒音試験実施型)

    パネル取付金具
    BTP-30
    小口フタ
    SHGC-100FTA(B)(DA)(DB)

    屋外に設置するルーバーは、風の角度や使用条件により音鳴りが発生する可能性があります。社内では風騒音対策試験を実施しており、所定の条件下で音鳴りが発生しないことを確認しております(※資料参照)
  • SHGR-120(風騒音試験実施型)

    パネル取付金具
    BTP-17
    小口フタ
    SHGR-120FTA(B)(DA)(DB)

    屋外に設置するルーバーは、風の角度や使用条件により音鳴りが発生する可能性があります。社内では風騒音対策試験を実施しており、所定の条件下で音鳴りが発生しないことを確認しております(※資料参照)

Topics トピックス

カタログ