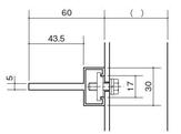
ボルト固定式ルーバー(スタンダードタイプ)

特殊形状

別のタイプをみる

製品一覧

Topics トピックス

カタログ