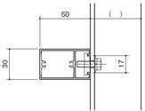
ボルト固定式ルーバー(天井タイプ)

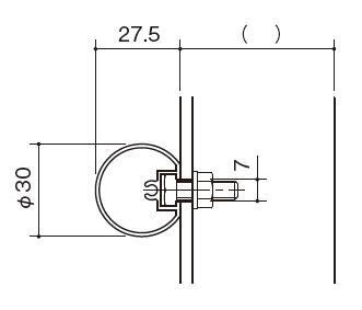
格子タイプ

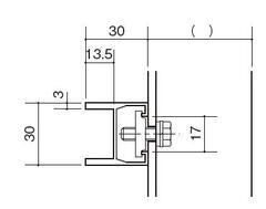
別のタイプをみる

製品一覧

Topics トピックス

カタログ